Electronics Tutorial No. 1

Welcome to the electronics tutorial! If you want to learn electronics, it's a great place to start.

Note that the author of this electronics tutorial is ©1998 Alex Pounds. All rights reserved.
Revisions/corrections have been applied by Frank Schieber 9-25-03

  1. Electricity basics
  2. The resistor
  3. Current
  4. Resistances in series
  5. Parallel circuits
  6. Parallel circuits experiment
  7. Resistors in parallel
  8. Power & energy
  9. The voltage divider
  10. Measuring voltage dividers
  11. The potentiometer
  12. Logic - Digital electronics
  13. Diodes
  14. Which indicator?
  15. Switches
  16. Transistors
  17. Integrated Circuits
  18. The relay
  19. The Capacitor
  20. The Astable (or pulse generator)
  21. The Cathode Ray Oscilloscope (CRO)
  22. The 555 timer as an astable
  23. The monostable multivibrator
  24. The 555 timer as a monostable
  25. Alarms
  26. Alternating voltage and current (AC)

 

1. Electricity basics

The Fundamentals and Ohm’s Law

Current is the number of electrons flowing through something. Current is usually measured in Amperes (or amps). One amp is defined as one coulomb (6,280,000,000,000,000,000 electrons!) of electrons flowing per second. If you want to use the water analogy, think of this as the volume of water flowing through a pipe.

Voltage is the difference in electrical potential between two points. Positive voltage is usually defined as the absence of electrons; negative voltages have an excess of electrons. Ground is defined as totally neutral, with an even amount of protons and electrons. Think of voltage as the amount of pressure the water in the pipe is under. Another analogy might be to think of a rock. (Before you start laughing at the rock bit, let me continue!:-) The rock’s voltage is its height relative to ‘ground’ level, which is where it would normally rest. If, for example, you lifted the rock above the ground, it would have a positive electrical potential equal to its height; conversely, if you dug a hole and put the rock in it, the rock would have negative potential relative to ‘ground’. This is a very loose description, but may help you understand it better.

Resistance is measured in Ohms. At a given voltage, the resistance determines the amount of current that can flow, according to Ohm’s law. Think of resistance as the size of the pipe the water is flowing through. The larger the pipe (Lower resistance), the more water (current) can flow through.

IMPORTANT: Voltage and resistance determine how much current will flow. Current and resistance do NOT determine the voltage. In electronics-speak, "the voltage leads the current".

Ohms law is:

E = IR

When:
I = Current in amps.
E = Voltage in Volts.
R = Resistance in Ohms.
 

So, to show a relevant example, let’s pretend that I have a 9 volt battery, and I want to use it to power a solarengine instead of a solar cell (maybe I broke all my solar cells, as I sometimes do). Grabbing a resistor that I have lying around, I read the color coding (more on that later), and find that it is a 2.2K Ohm resistor (2200 Ohms). Plugging these two variables into the formula, I get:

I = E/R
I = (9)/(2200)
I = 0.00409 amps
 

0.00409 amps rounds to 0.0041 amps, or 4.1 mA. This should be more than enough to power your average solarengine, unless it’s very inefficient or was made incorrectly.

Remember, you can still work backwards with this formula. For example, if you needed 10 mA (0.01 Amps) to power something, such as a coil with a resistance of 1000 Ohms, you get:

I = E/R
0.01 = E / (1000)
E = 10 Volts
 

By the way, it’s the current that will kill you. High voltages are dangerous because your even though your body has a fairly high resistance (varies from 100K Ohms or less to several Megs), a high voltage allows more current to be passed through your body.

(Section 1 based upon the work of Ivan Thorson. Ivar Thorsons Electronic Crash Course)

 

2. The resistor

 

A resistor has a resistance, which is measured in ohms. If you haven't got the symbol font installed, the following character will not display correctly - W . This is the symbol for Ohms.

Wire wound resistor

 Wire wound resistor

Carbon film resistor

 

 

Production spread (i.e., tolerance)

 

Colour coding

Black 0
Brown 1
Red 2
Orange 3
Yellow 4
Green 5
Blue 6
Violet 7
Grey 8
White 9

Colour code guide

Band 1 = First digit of resistance
Band 2 = Second digit of resistance
Band 3 = Number of following zeros
Band 4 = Tolerance

Tolerances

No band = ± 20 %
Silver = ± 10 %
Gold = ± 5 %

 

The resistor printed code

R = ohms
K = thousands of ohms
M = millions of ohms

The position of the letter determines the decimal point.

1800 = 1K8
120 = 120R

Tolerances are shown by using postfixes:

J = ± 5 %
K = ± 10 %
M = ± 20%

So:

56000 ± 10 % = 56K0K
6800000 ± 5 % = 6M8J

 

3. Current

Voltage = Current x Resistance (the ubiquitous Ohm's Law)
V = I x R
Volts = amps x ohms
Volts = milliamps x kilo ohms

NB. 1mA = 0.001 A
1 Kilo ohm = 1000 ohms

 

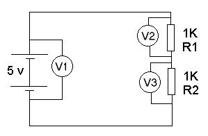
4. Resistances in series

R1 R2 V1 (V) V2 (V) V3 (V) VT (V2+V3)
1K 1K 5.0 2.5 2.5 5.0
1K 2K 5.0 1.67 3.33 5.0
2K 10K 5.0 0.83 4.17 5.0

(Bonus question: Can you estimate the current flowing in these 3 circuits?)

 From the measurements in the table above, we can conclude:

 

5. Parallel circuits

The 2 circuits on parallel each have 9V across them.

I1 = V / R = 9 / 10 = 0.9 mA

I2 = V / R = 9 / 0.3 = 30 mA

So the total current from this battery is 30.9 mA. Note that the resistance for the second half of the circuit = 300R = 0K3 , because 200 + 100 =300 .

Next page